歡迎光臨卡尼爾?南方泵業品牌官網!水泵型號參數齊全 在線便捷選型 網站地圖 | 百度地圖 |
南方泵業在線選型平臺

正品保證,工廠直發,全國聯保,上門服務

全國咨詢熱線4008-821-931
您的位置: 南方泵業 > 在線選型 > 液下泵 > CDLK(50Hz) > CDLK15-40/4
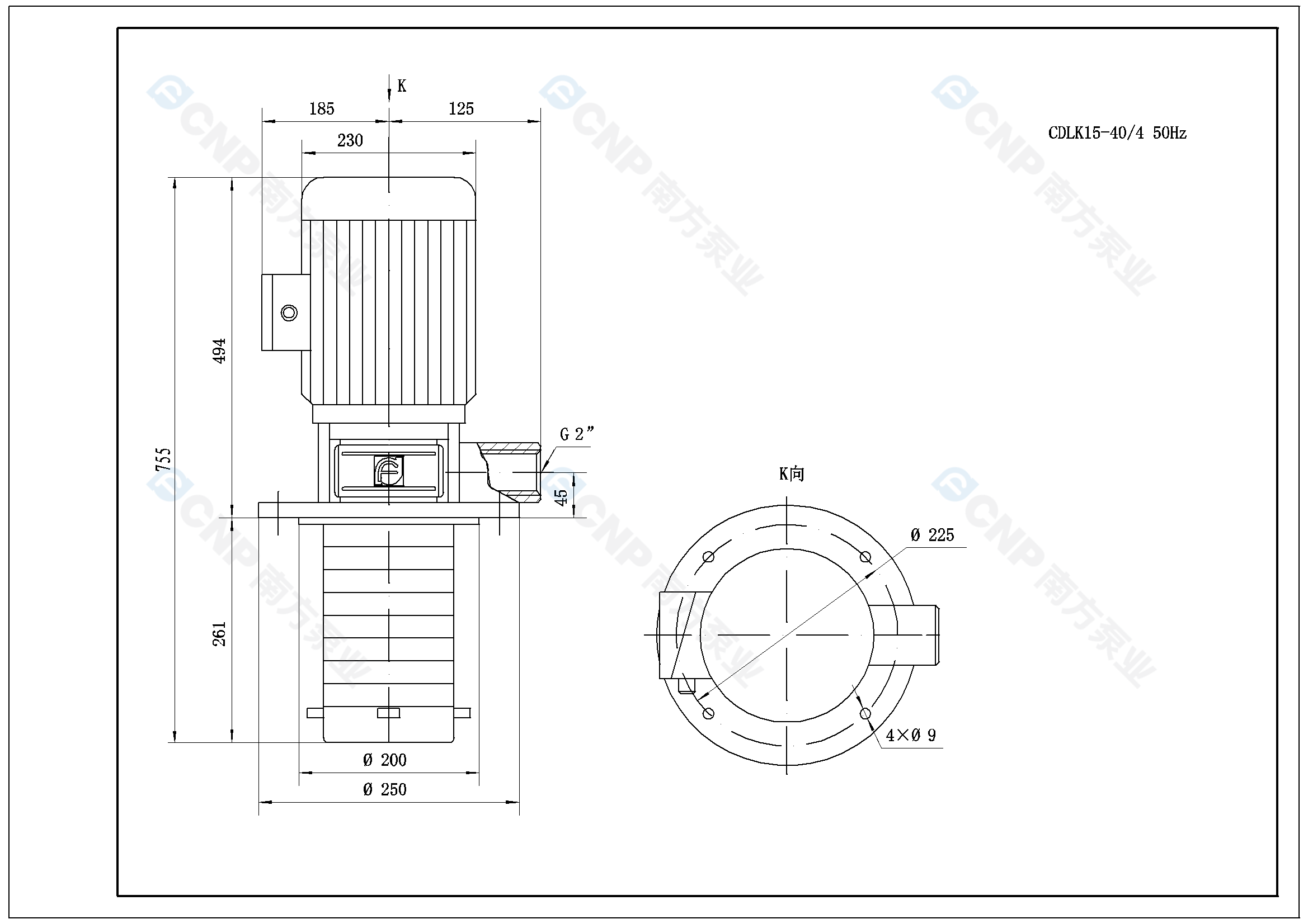
南方泵業CDLK15-40/4水泵明細參數
CDLK15-40/4 參數
  • 額定流量 m3/h:15
  • 額定揚程 m:45
  • 額定效率 %:68
  • 額定功率 kw:2.7
  • 額定轉速 rpm:2900
  • 葉輪級數:4
  • 泵轉速:2900
  • 電機功率 kw:4
  • 額定電流 A:7.8
  • 重量 kg:52
上一個:CDLK15-30/3 下一個:CDLK15-50/5
在線詢價
銷售咨詢
昆山卡尼爾工業設備有限公司
技術咨詢
昆山卡尼爾工業設備有限公司
服務熱線

服務熱線

4008-821-931

返回頂部
双龙一起入菊痛苦