歡迎光臨卡尼爾?南方泵業品牌官網!水泵型號參數齊全 在線便捷選型 網站地圖 | 百度地圖 |
南方泵業在線選型平臺

正品保證,工廠直發,全國聯保,上門服務

全國咨詢熱線4008-821-931
您的位置: 南方泵業 > 在線選型 > 多級泵 > CDM(F)(50Hz) > CDM65-2-1
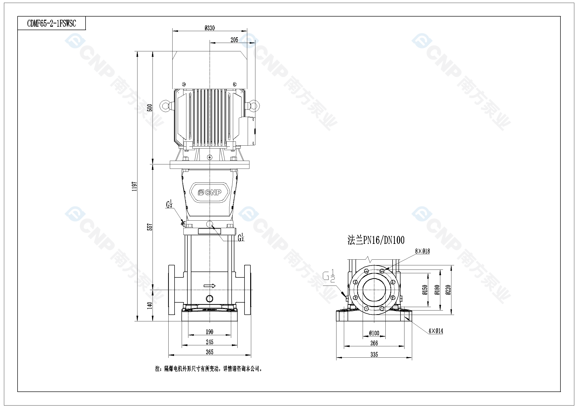
南方泵業CDM65-2-1水泵明細參數
CDM65-2-1 參數
  • 額定流量 m3/h:65
  • 額定揚程 m:33
  • 額定效率 %:72.3
  • 額定功率 kw:8.1
  • 額定轉速 rpm:2900
  • 葉輪級數:2
  • 介質溫度 常溫:-15℃~+70℃
  • 介質溫度 熱水:-15℃~+120℃
  • 電機功率 kw:11
  • 機械密封:CDLA-22/WB1F16
  • 重量 kg:182
上一個:CDM65-2-2 下一個:CDM65-2
在線詢價
銷售咨詢
昆山卡尼爾工業設備有限公司
技術咨詢
昆山卡尼爾工業設備有限公司
服務熱線

服務熱線

4008-821-931

返回頂部
双龙一起入菊痛苦