歡迎光臨卡尼爾?南方泵業品牌官網!水泵型號參數齊全 在線便捷選型 網站地圖 | 百度地圖 |
南方泵業在線選型平臺

正品保證,工廠直發,全國聯保,上門服務

全國咨詢熱線4008-821-931
您的位置: 南方泵業 > 在線選型 > 管道泵 > TD(50Hz) > TD50-12G/2
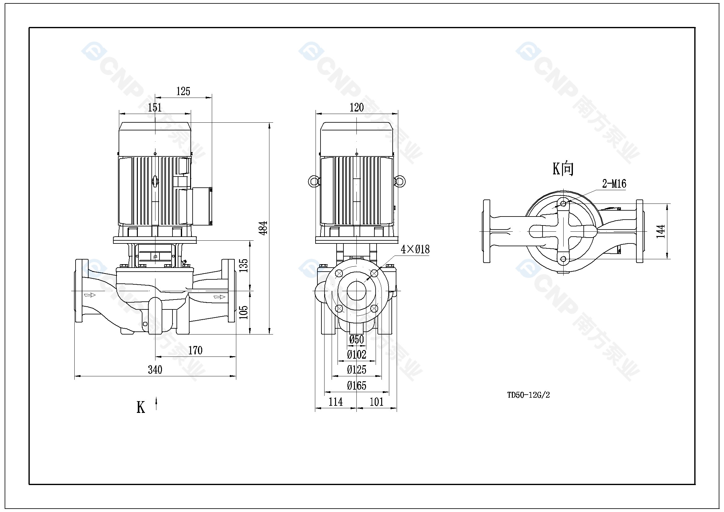
南方泵業TD50-12G/2水泵明細參數
TD50-12G/2 參數
  • 額定流量 m3/h:16
  • 額定揚程 m:12
  • 額定效率 %:61
  • 額定功率 kw:0.86
  • 額定轉速 rpm:2900
  • 介質溫度:-15~110度
  • 進出口徑:50
  • 電機功率 kw:1.1
  • 機械密封:TDS-28/BSE4
  • 重量 kg:37
上一個:TD50-80G/2 下一個:TD50-15G/2
在線詢價
銷售咨詢
昆山卡尼爾工業設備有限公司
技術咨詢
昆山卡尼爾工業設備有限公司
服務熱線

服務熱線

4008-821-931

返回頂部
双龙一起入菊痛苦