歡迎光臨卡尼爾?南方泵業品牌官網!水泵型號參數齊全 在線便捷選型 網站地圖 | 百度地圖 |
南方泵業在線選型平臺

正品保證,工廠直發,全國聯保,上門服務

全國咨詢熱線4008-821-931
您的位置: 南方泵業 > 在線選型 > 管道泵 > TD(50Hz) > TD150-18G/4
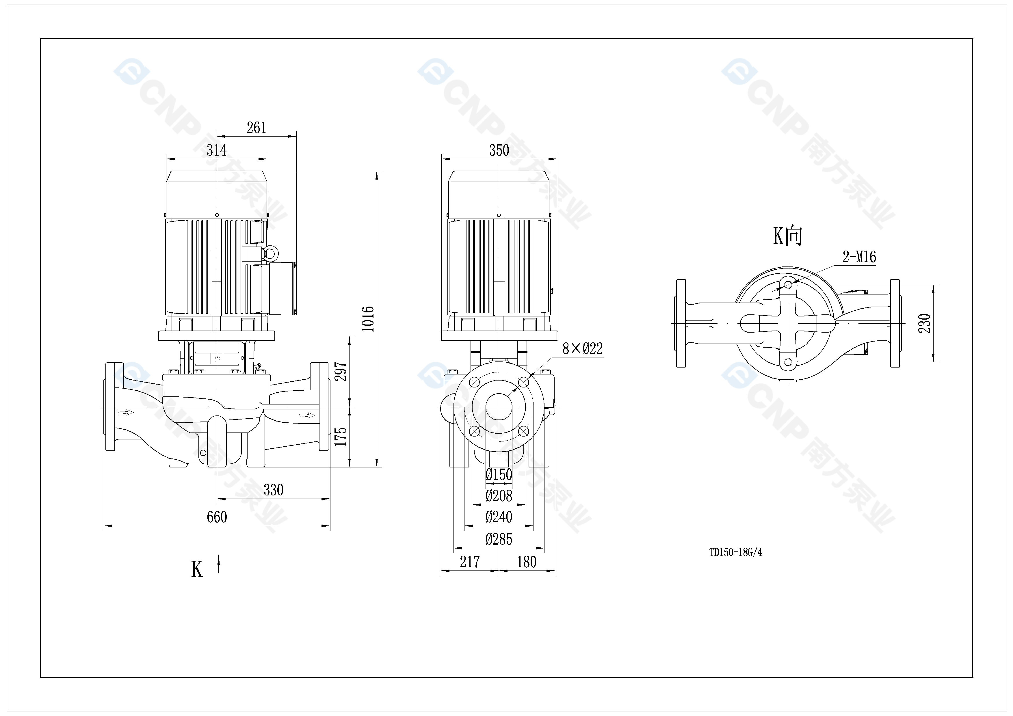
南方泵業TD150-18G/4水泵明細參數
TD150-18G/4 參數
  • 額定流量 m3/h:200
  • 額定揚程 m:18
  • 額定效率 %:72
  • 額定功率 kw:13.6
  • 額定轉速 rpm:1480
  • 介質溫度:-15~110度
  • 進出口徑:150
  • 電機功率 kw:15
  • 機械密封:TD-40/BSE4
  • 重量 kg:281
上一個:TD150-12.5G/4 下一個:TD150-22G/4
在線詢價
銷售咨詢
昆山卡尼爾工業設備有限公司
技術咨詢
昆山卡尼爾工業設備有限公司
服務熱線

服務熱線

4008-821-931

返回頂部
双龙一起入菊痛苦